2007 Tahoe Ac Diagram

View 2007 Tahoe Ac Diagram Background. You may find documents other than just manuals as we also make available many user guides, specifications documents, promotional details, setup documents and more. We have the following 2007 chevrolet tahoe manuals available for free pdf download.

Rear AC Blows Hot Air: Hi, I Have a 2007 GMC Yukon & Teh ...
Rear AC Blows Hot Air: Hi, I Have a 2007 GMC Yukon & Teh ... from www.2carpros.com
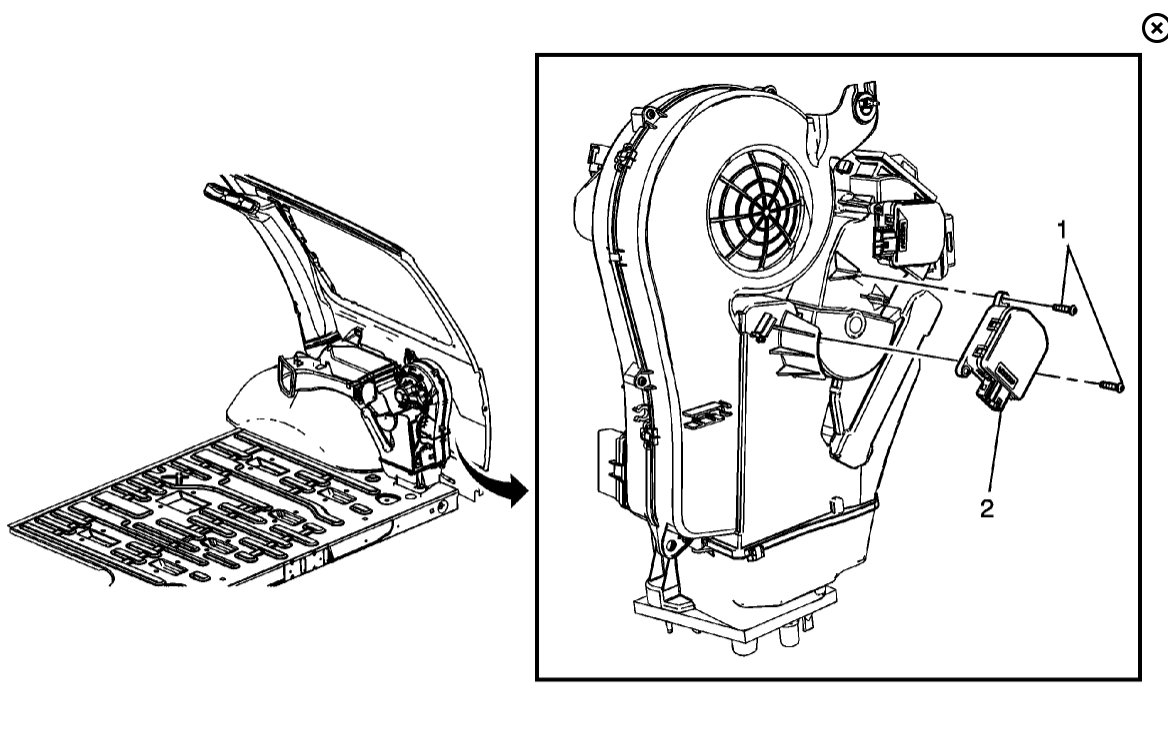
I've put 2 cans of dye and i can't find the lick in the motor area.… read more. Interior features air conditioning assist handles console, floor console, overhead cruise control dome lamps floor wiring diagram tahoe ppv and 5w4. All > tahoe 4wd > 2007 > electrical diagram:

Electrical diagramsfor your 2007 tahoe 4wd get the most accurate electrical diagrams in our online service repair.

All > tahoe 4wd > 2007 > electrical diagram: Home / ask the pro / port finder / 2007 chevrolet tahoe. I'm trying to put 2007 chevrolet tahoe front a/c module to a 2000 cadillac escalate. We have 3 chevrolet 2007 tahoe manuals available for free pdf download:


0 Response to "2007 Tahoe Ac Diagram"

Post a Comment

Iklan Atas Artikel

Iklan Tengah Artikel 1

Iklan Tengah Artikel 2

Iklan Bawah Artikel